- Код товара: ТЭН-100А13/3,5Р220
- Доступность: На складе
55.00руб.
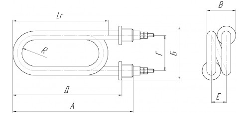
ТЭН водяной 3,5квт. для пищеварочного котла КПЭ-160
Тип ТЭН-100А13/3,5Р220 или аналог
Материал углеродистая сталь
Мощность 3,5 квт.
Длина А=240мм; Д=220мм
Межосевое расстояние Г=110...117мм
Штуцер с резьбой 1/2" дюйма (d=20,6мм)
| ТЭН | |
| Тип | ТЭН-100А13/3,5Р220 или аналог |
| Материал | углеродистая сталь |
| Мощность | 3,5 квт. |
| Длина А | А=240мм; Д=220мм |
| Межосевое расстояние | Г=110...117мм |
| Штуцер | с резьбой 1/2" дюйма (d=20,6мм) |



